
Tubos de aluminio aptos para la producción de cilindros neumáticos para
accionamientos. Estos tubos son extruidos, en aleación de aluminio EN-AW6063T6
, posteriormente calibrados, brochados mediante procesamiento mecánico y
finalmente anodizados clase 20 µm.
NOTA: CARACTERÍSTICAS TÉCNICAS ESPECIALES PRODUCTO DE ALTA CALIDAD después
de una cuidadosa extrusión el perfil se somete a un proceso especial de
calibración en frío de la chaqueta (parte interna)
Características mecánicas mínimas:
Rm= Mpa 245 Rp0,2= Mpa 200 A5%=8 HBW=80
Anodización:
- espesor de la capa de óxido: clase 20 µm +10/-4 (interno) +10/-8 (externo)
- dureza de la capa de óxido: 420 HV25 +130/-30
Rugosidad del diámetro interno:
-Ra radial = 0,6 µm -Rmax radial = 9 µm -Ra axial = 0,4 µm -* Ra radial =
0,8 µm -* Rmax radial = 10 µm -* Ra axial = 0,5 µm
Gama completa de nuestros perfiles de aluminio disponibles en el sitio web: www.omar-alluminio.it

Detalle hueco:
![]() |
|
![]() |
|
![]() |
|
![]() |
|
![]() |
|
![]() |
|
![]() |
|
PROBADO |
![]()
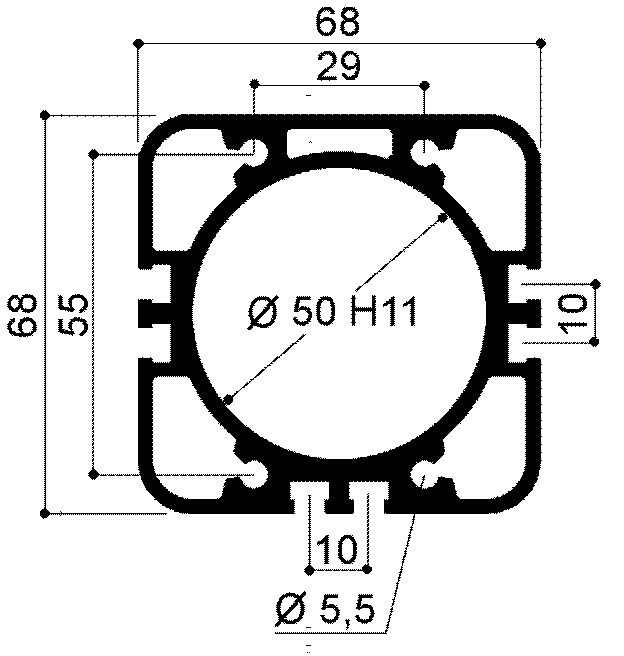
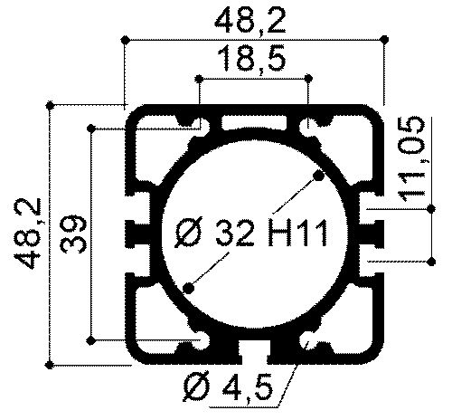
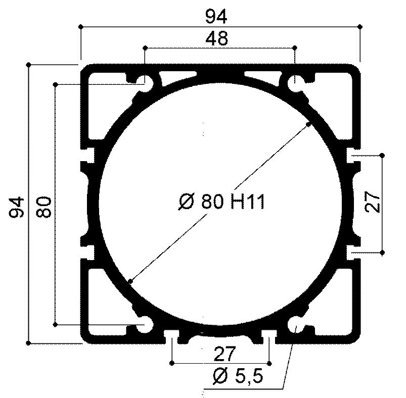
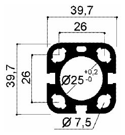
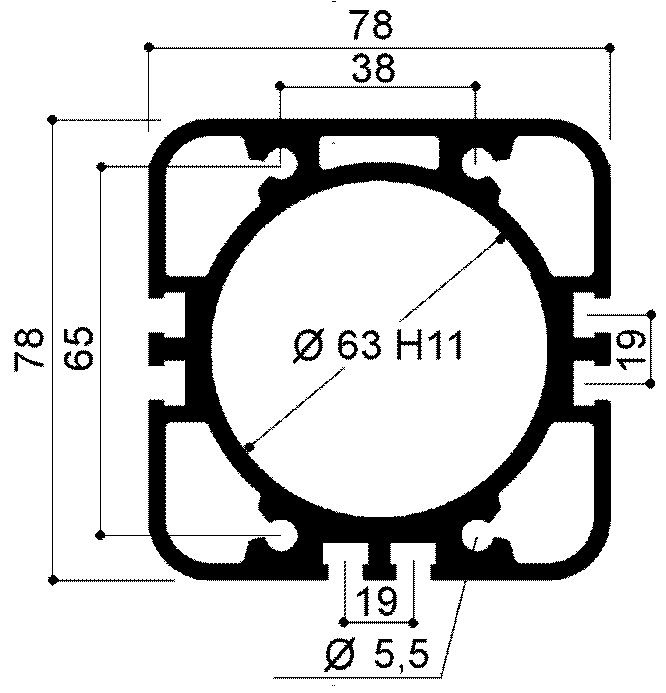
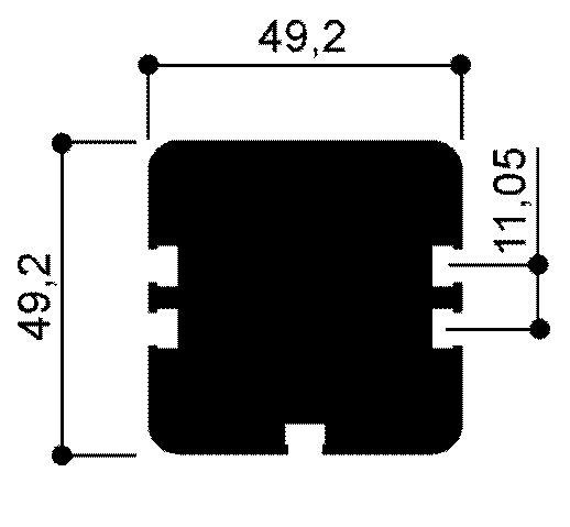
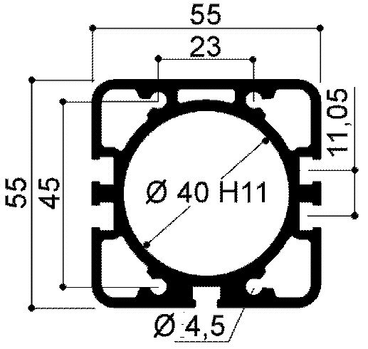
Perfil de aluminio para la producción de culatas neumáticas tipo UNITOP / ISO 21287 |
![]() |
|
![]() |
|
![]() |
|
![]() |
|
![]() |
|
![]() |
|
![]() |

Catálogo PDF de disipadores de calor de alta eficiencia / alto rendimiento





Catálogo Pdf Rodapiés / Rodapiés / Molduras de aluminio también para ambientes estériles
Omar srl: empresa milanesa especializada en el suministro y comercialización de perfiles de aluminio extruidos, en barras, varillas, en bruto o anodizados; disipadores de calor para electrónica; Barras comerciales de aluminio extruido (ángulos, canales, placas, tubos, L), especiales y a medida. Además, perfiles modulares de aluminio para robótica, distribuidores hidráulicos, neumática, actuadores, perfiles para stands, perfiles extruidos para astilleros, perfiles de aluminio para mecatrónica, movimientos lineales, extrusiones de aluminio para rodapiés / zócalos / molduras, extrusiones para rasquetas de impresión, extrusiones para fotovoltaica. /sistemas de calefacción, extrusiones de aluminio para tiras de LED, cubiertas de policarbonato para tiras de LED, perfiles de aluminio para señales luminosas, extrusiones para contenedores de tableros electrónicos para instrumentos de panel, extrusiones de aluminio para mobiliario urbano, perfiles de aluminio para resistencias / calentadores blindados y procesamiento mecánico de aluminio perfiles.