
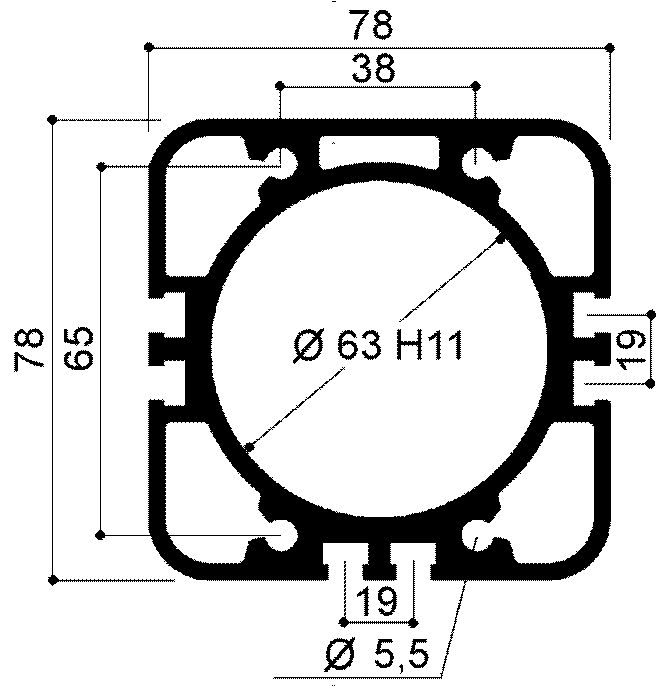
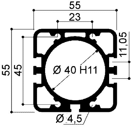
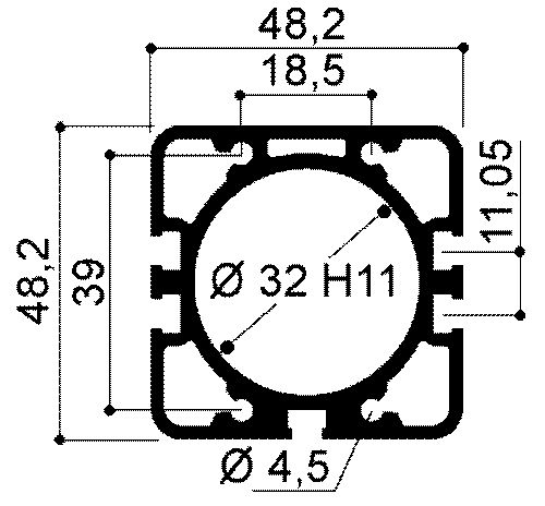
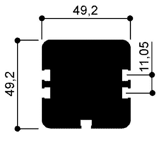
Aluminum tubes suitable for the production of pneumatic cylinders for drives. These tubes are extruded, in aluminum alloy EN-AW6063T6 subsequently calibrated - broached by mechanical processing and finally anodized class 20 µm
NOTE: SPECIAL TECHNICAL CHARACTERISTICS HIGH QUALITY PRODUCT after an
accurate extrusion the profile is subjected to a special cold calibration
process of the jacket (internal part)
Minimum mechanical characteristics:
Rm= Mpa 245 Rp0,2= Mpa 200 A5%=8 HBW=80
Anodization:
- oxide layer thickness: class 20 µm +10/-4 (internal) +10/-8 (external)
- oxide layer hardness: 420 HV25 +130/-30
Roughness internal diameter:
-Ra radial = 0.6 µm -Rmax radial = 9 µm -Ra axial = 0.4 µm -* Ra radial =
0.8 µm -* Rmax radial = 10 µm -* Ra axial = 0.5 µm
Full range of our aluminium profiles available on the website: www.omar-alluminio.it

Quarry detail:
![]() |
|
![]() |
|
![]() |
|
![]() |
|
![]() |
|
![]() |
|
![]() |
|
TESTATE |
![]()
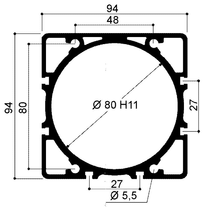
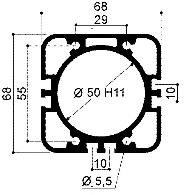
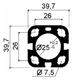
Aluminum profile for the production of UNITOP / ISO 21287 type pneumatic cylinder heads |
![]() |
|
![]() |
|
![]() |
|
![]() |
|
![]() |
|
![]() |
|
![]() |





Pdf catalog of squeegee holder profiles (for hand printing, for weaving or screen printing machines)
Pdf Catalog Skirting Boards / Skirting Boards / Aluminium Shells also for sterile environments
CatalogPdf profiles for exhibition stands / showcases, exhibitors
Omar srl: Company from Milan specialized in the supply and trade of extruded drawn aluminium profiles in bars, rods, raw or anodized; heat sinks for electronics; commercial extruded aluminium bars (corners, channels, plates, tubes, L-shaped), special and custom-designed. Furthermore, modular aluminum profiles for robotics, hydraulic distributors, pneumatics, actuators, profiles for stands, extruded profiles for shipyards, aluminum profiles for mechatronics, linear movements, aluminum extrusions for skirting boards / skirting boards / covings, extrusions for printing squeegees, extrusions for photovoltaic / heating systems, aluminum extrusions for LED strips, polycarbonate covers for LED strips, aluminum profiles for luminous signs, extrusions for electronic board containers for panel instruments, aluminum extrusions for street furniture, aluminum profiles for armored resistors / heaters and mechanical processing on aluminum profiles.